| Sign In | Join Free | My fazendomedia.com |
|
Brand Name : Yusheng
Model Number : 4TE
Certification : VDE,UL,CCC,KC
Place of Origin : CHINA
MOQ : 1000PCS
Price : Negotiable
Payment Terms : T/T, D/P, Western Union
Supply Ability : 500,000,000pcs per month
Delivery Time : 5-7 work days
Packaging Details : Array in a strip,1000pcs per box
Operating Temeprature : -40℃~+125℃
Model : 4TE
Rated Current : 250mA~6.3A
BreakingCapacity(VDE) : 100amperes at 250V/300V AC(250mA~6.3A)
Fuse Element : Alloy
Rated Voltage : 250V
Color : Black or Red
Lead Wire : Tin plated copper
Fuse body : Plastic
250V 13.15A 4TE Series Square Type Radial Leaded Time Lag Slow Blow Micro Fuse
Quick Detail:
| Product Name | Slow Blow Micro Fuse 4TE | Size | 8*4*8mm |
| Speed | Time Delay | Current & Voltage | 3.15A 250V |
| Color | Black or Brown | Pitch | 5.08mm |
| Blow | Slow Blow | Breaking Capacity | Low |
Description:
4TE Micro Fuse is used to control the current to protect the circuit.Once the current in the circuit is higher than the rated current of the appliance, the fuse will automatically cut off the current to protect the safety of the appliance. 5TR Micro Fuse protect the circuit by fusing themselves by the joule heat of the current flowing through the fusible metal. Most electrical appliances have fuses. 4TE Micro Fuse has the characteristics of small size, high sensitivity and quick protection.Often used for switch power supply, charger, small appliance control board, and etc.
Specifications:
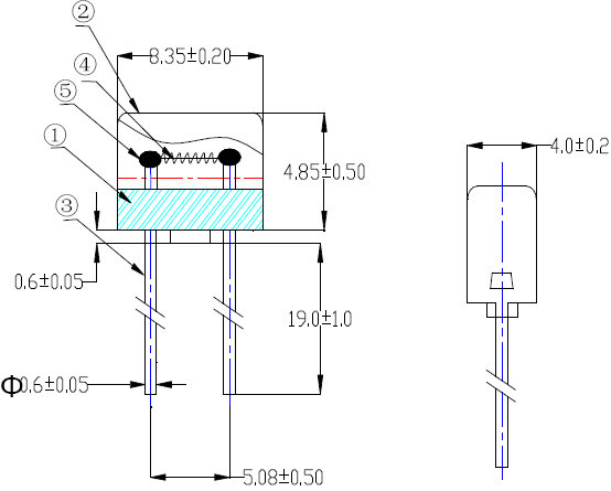
1. Marking, Size and Structure
![]() |
|
|
![]() |
2.
| No. | Part Name | Material | Remarks |
| ① | Base | Plastic | |
| ② | Housing | Plastic | |
| ③ | Lead Wire | Tinned Cooper Wire | |
| ④ | Fuse Element | Alloy | |
| ⑤ | Soldering Tin | Solder wire(Sn99.3%,Cu0.7%) | ROHS |
2. Time-current Characteristics

| Rated Current | Rated Voltage | Norminal Melting I2T(A2Sec) | Approvals | |||
| VDE | CCC | UL | KC | |||
| 250mA | 250V | 0.28 | ● | ● | ● | ● |
| 315mA | 250V | 0.45 | ● | ● | ● | ● |
| 400mA | 250V | 0.80 | ● | ● | ● | ● |
| 500mA | 250V | 1.2 | ● | ● | ● | ● |
| 630mA | 250V | 1.8 | ● | ● | ● | ● |
| 800mA | 250V | 3.0 | ● | ● | ● | ● |
| 1A | 250V | 4.2 | ● | ● | ● | ● |
| 1.25A | 250V | 5.0 | ● | ● | ● | ● |
| 1.6A | 250V | 8.2 | ● | ● | ● | ● |
| 2A | 250V | 9.8 | ● | ● | ● | ● |
| 2.5A | 250V | 16.0 | ● | ● | ● | ● |
| 3.15A | 250V | 22.5 | ● | ● | ● | ● |
| 4A | 250V | 30.0 | ● | ● | ● | ● |
| 5A | 250V | 64.0 | ● | ● | ● | |
| 6.3A | 250V | 72.0 | ● | ● | ● | |
| 7A | 250V | 125 | ||||
| 8A | 250V | 164 | ○ | ○ | ○ | |
| 10A | 250V | 256 | ○ | ○ | ○ | |
3. 4TE Time-Current Curves

4. 4TE Temperature-current Curve

3. 4TE Packaging

Application:
● Computer peripheral products
● Digital cameras
● Monitors
● Batteries
● Load management equipment
● Automotive load dump devices
● Electronic/AC power meter
● Valves used in automatic car wash systems
● Plug-in cards
● Remote controls
● GFCIs (ground fault circuit interrupters)
● Motor compressors
● Drive and control electronics
● Switch mode power supplies and UPS
Competive Advantages:
● Easy to install
● Fire resistance
● High Sentivity
● Insulation effect
● Quick protection
● Wide application
● Low leakage current
● Completed certificates such as UL,VDE,SGS,etc and high quality available
Tag:
Fuse Link, Mini Fuse, Micro Fuse, Slow Brow Fuse, Thermistor
|
|
Plastic Constructure Radial Lead Micro Fuse 13.15A Fire Resistance 4TE Series Images |